Beat the Heat: MX-5 Engine Cooling Guide (Street, Track, Turbo)

MX-5 Engine Cooling: How to Keep Temperatures in Check (Street, Trackday, Turbo)


By Mój sklep Admin
4 min read

Pokonaj upał: przewodnik chłodzenia silnika MX-5 (ulica, tor, turbo)

MX-5 Engine Cooling: How to Keep Temperatures in Check (Street, Trackday, Turbo)

Introduction

The Miata loves revs—but temperature quickly exposes weak links. On track, in traffic, in summer, and after mods (exhaust, turbo), the stock cooling system can run on the edge. This guide shows what actually works—step by step—and highlights our plug-and-play kits: radiators, fans, silicone hoses, thermostats (optional), ducting/air-seals, coolant reroute (NA/NB) and oil coolers.

When do you need to address cooling? (warning signs)

  • Coolant temperature creeps up in traffic or after a few hot laps.
  • Fans run almost constantly and temperature drops slowly.
  • Upper hose goes rock-hard under load, you smell coolant, or see damp spots.
  • Power fades in heat; ignition timing pulls as the ECU protects the engine.

What works — a 9-step plan

1) Service & diagnostics (before buying parts)

  • Bleed the system properly (see “Pro tips” below).
  • Thermostat - stuck half-open causes slow warm-up and overheating under load.
  • Radiator health — clean externally (dust/leaves) and assess internal restriction (scale).
  • Leaks - check hoses, tees, clamps, and the expansion tank.

2) Full-core aluminum heatsink

  • More volume and surface area = steadier temps in traffic and on track.
  • A well-designed two-row core often outperforms cheap “three-row” units.

We offer aluminum radiators for NA/NB/NC—true PnP, OEM hose positions, sensor ports.

3) High-flow fans + shroud

  • Dual high-flow fans with a full shroud pull air across the entire core.
  • A kit with PnP relays/loom ensures reliable startup without overloading the stock wiring.

Our fan packages include brackets for our radiators.

4) Ducting & front-end sealing

  • Air must go through the core, not around it. Seal gaps between bumper, condenser/IC, and radiator.
  • Deflectors/undertrays push flow straight into the core; a splitter helps pressure management under the car.

5) Silicone hoses + proper clamps

  • Silicone handles heat/pressure better and won't balloon like old rubber.

Ready-made sets (upper/lower/heater) with stainless constant-width clamps.

6) Thermostat - choose intentionally

  • Lower-temp thermostats only make sense if the system has spare capacity and the car sees track use.
  • For daily driving, OEM-like opening temp is usually best (fast warm-up = less wear).

We can help you choose the opening temperature for your usage and radiator (thermostats available as an option).

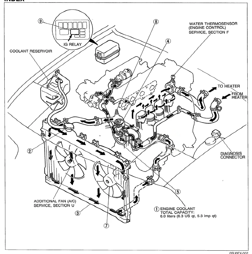
7) Coolant reroute (NA/NB) - equalize block temperatures

The stock NA/NB flow exits at the front, which cools the front of the block more and leaves the rear (cyl. 3–4) hotter. This creates hot spots at the back of the block, raising the risk of overheating and detonation—especially on track and in turbo cars. A coolant reroute moves the outlet/thermostat to the rear, so coolant travels the full length of the block more evenly.

Benefits:

  • Even block temps (particularly around cyl. 3–4) and fewer local hot spots.
  • Higher knock resistance and stability under sustained load.
  • More repeatable temps on track and less heat soak.

Our kits: complete PnP NA/NB packages—rear block plate, fittings, front block-off, thermostat options. Compatible with VVT (NB2) and the stock heater.

Install notes: thorough bleeding, correct heater routing, check accessory clearances. Works great alongside an aluminum radiator and proper ducting.

8) Oil cooler with a thermostatic sandwich plate

  • Oil cools and lubricates—for extended track sessions it's a must.
  • A thermostatic sandwich warms oil quickly on the street and protects it on track.

We offer oil coolers, AN lines, brackets, and thermostatic sandwiches in PnP MX-5 packages.

9) Hood vents (track/high-boost builds)

When power and lap times go up, under-hood heat and pressure climb too. Proper louvered hood vents create a low-pressure zone over the hood that helps extract hot air from the bay instead of letting it recirculate.

  • Stabilizes coolant & oil temps by improving airflow through the radiator and across hot components.
  • Reduces heat-soak around intake piping, coils, wiring, and turbo hardware.
  • Works with ducting — ducting feeds fresh air through the core; vents give that hot air a fast way out.

Pro install tips

  • Bleeding: raise the nose of the car, heater on HOT, top up cold, then run until 2–3 fan cycles to purge air.
  • Intercooler + A/C: leave gaps between cores and seal the channel —make the air pass through each core in sequence.
  • Sensors/gauges: real ECT and oil (pressure + temp) = quicker diagnosis; pairs perfectly with our PnP 2-in-1 oil gauge .

Why our kits?

  • PnP for NA/NB/NC - brackets, threads, and looms tailored to the MX-5.
  • Proven combinations — we build complete systems , not random parts.
  • Support - we'll guide your upgrade order so you don't overspend yet get real results.

TL;DR

  • Start with proper bleeding, then add an aluminum radiator, shrouded high-flow fans , and ducting.
  • NA/NB? Add a coolant reroute to equalize block temperatures and raise your safety margin.
  • Track/turbo? Add a thermostatic oil cooler and hood vents to evacuate under-hood heat.
  • Choose a ready STREET / TRACKDAY / TURBO bundle—everything plug-and-play for the MX-5.